Mô tả sản phẩm - Bộ kit điều khiển cửa cuốn tần số 433Mhz mã cố định. - Kết nối trực tiếp...
- Bộ kit điều khiển rèm cửa kết nối trực tiếp với motor ống để điều khiển rèm cửa. - Có...
Mô tả sản phẩm CHÚ Ý: Bộ điều khiển cửa cuốn và điện thoại phải kết nối chung một mạng Wifi...
Giới thiệu sản phẩm Arduino Uno R3 là dòng cơ bản, linh hoạt, thường được sử dụng cho người mới bắt...
Mô tả Module là phiên bản thứ 3 trong dòng các board NodeMCU ESP8266 tích hợp chip ESP8266. Thông số kỹ thuật Hỗ...
Giới thiệu sản phẩm Arduino Pro Micro dùng vi xử lý ATmega32u4, phiên bản Arduino Micro được sản xuất...
Mô tả sản phẩm - Module Arduino NodeMcu Lua ESP8266 ESP-12 như một bo mạch phần cứng nguồn mở, bao gồm một...
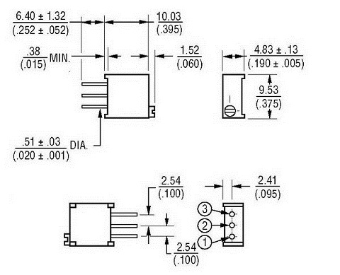
- Biến Trở VR 504 500K 3296W là thiết bị có điện trở thuần có thể biến đổi được theo ý muốn. Chúng có thể được sử dụng trong các mạch điện để điều chỉnh hoạt động của mạch điện.
- Dải kháng tiêu chuẩn: 500K ohm
- Khả năng điều chỉnh:
Điện áp .................................. ± 0.01%
Điện trở ............................ ± 0.05%
- Công suất đánh giá (tối đa 300 volts)
70 ° C ...................................... 0.5 watt
125 ° C ....................................... 0 watt
- Dải nhiệt độ hoạt động: -55 ° C đến +125 ° C
- Hệ số Nhiệt độ: ± 100 ppm / ° C

Thông số kỹ thuật : Biến trở xoay 10K Ohm, Núm vặn 12.5MM, ±5(%), 0.25W.
Thông số kỹ thuật : Điện trở: 10R Công suất: 2W Nhiệt độ làm việc: 1°C ± 125°C Kích thước: L * Dia /...
Thông số kỹ thuật : Điện trở: 10K Công suất: 2W Nhiệt độ làm việc: 1°C ± 125°C Kích thước: L * Dia /...
Thông số kỹ thuật : Điện trở: 1K Công suất: 2W Nhiệt độ làm việc: 1°C ± 125°C Kích thước: L * Dia /...
Thông số kỹ thuật : Điện trở: 1K Công suất: 2W Nhiệt độ làm việc: 1°C ± 125°C Kích thước: L * Dia /...
Thông số kỹ thuật : Điện trở: 100R Công suất: 2W Nhiệt độ làm việc: 1°C ± 125°C Kích thước: L * Dia /...
Thông số kỹ thuật : Điện trở: 10K Công suất: 2W Nhiệt độ làm việc: 1°C ± 125°C Kích thước: L * Dia /...
Cách nối dây: - Dây màu xanh và đỏ: là dây stop - Dây màu trắng và đen: là dây lên -...
Thông số kỹ thuật : 1) Tần số hoạt động: 890-960MHz 2) Tăng công suất:> 30dB 3)...
Hướng dẫn sử dụng: Download
Hướng dẫn sử dụng: Download