 
 
				Mô tả sản phẩm - Bộ kit điều khiển cửa cuốn tần số 433Mhz mã cố định. - Kết nối trực tiếp...
 
 
				- Bộ kit điều khiển rèm cửa kết nối trực tiếp với motor ống để điều khiển rèm cửa. - Có...
 
 
				Mô tả sản phẩm CHÚ Ý: Bộ điều khiển cửa cuốn và điện thoại phải kết nối chung một mạng Wifi...
 
 
				Giới thiệu sản phẩm Arduino Uno R3 là dòng cơ bản, linh hoạt, thường được sử dụng cho người mới bắt...
 
 
				Mô tả Module là phiên bản thứ 3 trong dòng các board NodeMCU ESP8266 tích hợp chip ESP8266. Thông số kỹ thuật Hỗ...
 
 
				Giới thiệu sản phẩm Arduino Pro Micro dùng vi xử lý ATmega32u4, phiên bản Arduino Micro được sản xuất...
 
 
				Mô tả sản phẩm - Module Arduino NodeMcu Lua ESP8266 ESP-12 như một bo mạch phần cứng nguồn mở, bao gồm một...
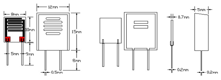
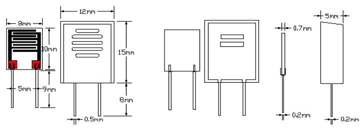
Hiệu quả lâu dài và ổn định, cảm biến HR202L có thể được áp dụng cho kho bãi, xe, kiểm soát chất lượng không khí trong phòng, xây dựng môi trường tự động hóa, y tế, hệ thống điều khiển công nghiệp và các lĩnh vực khoa học được sử dụng rộng rãi. Ứng dụng hiển thị độ ẩm, giám sát môi trường không khí, điều khiển quá trình công nghiệp, nông nghiệp, dụng cụ đo lường và các ứng dụng khác.
- Sử dụng chíp: HR202L
- Nguồn cấp: 1.5 VAC
- Tần số hoạt động: 500Hz ~ 2kHz.
- Nhiệt độ hoạt động: 0 ~ 60 ℃.
- Độ ẩm: 20 - 95%
- Độ chính xác: +- 5%RH
- Thời gian đáp ứng: <10s
- Tính ổn định: ≤1% RH / năm
Datasheet: HR202L

Hàn trực tiếp các loại cảm biến dòng DHT lên board mạch để việc giao tiếp với các vi điều...
Mô tả sản phẩm Công tắc điều khiển nhiệt độ đầu ra là tiếp điểm. Thông số kỹ thuật Dải...
Thông số kỹ thuật: - Mã sản phẩm: WJA 30~110° C - Chiều dài que đầu dò: 52mm - Chất liệu: Vỏ bằng...
Thông số kỹ thuật: - Mã sản phẩm: WJA 30~110° C - Chiều dài que đầu dò: 52mm - Chất liệu: Vỏ bằng...
Thông số kỹ thuật: - Mã sản phẩm: WJA 50~300° C - Chiều dài que đầu dò: 52mm - Chất liệu: Vỏ bằng...
Thông số kỹ thuật: - Mã sản phẩm: WJA 50~300° C - Chiều dài que đầu dò: 52mm - Chất liệu: Vỏ bằng...
Thông số kỹ thuật: Dải nhiệt độ: 30 ~ 110 độ C, Dòng tải: 16A Điện áp: 250V Dây đo dài: 0.7m Đầu dò :...
Mô tả sản phẩm Bộ điều khiển 2 relay theo nhiệt độ độ ẩm, dễ dàng cài đặt...
Bộ hiển thị nhiệt độ cầm tay TM902C là thiết bị đo nhiệt độ trực tiếp được thiết kế với màn hình...
Bộ hiển thị nhiệt độ cầm tay TM902C là thiết bị đo nhiệt độ trực tiếp được thiết kế với màn hình...
 
 
				Mô tả sản phẩm - Module thu phát RF E32-DTU-1W RS485 RS232 433MHz LoRa SX1278 là module thu phát sóng RF sử dụng...
 
 
				Cách nối dây: - Dây màu xanh và đỏ: là dây stop - Dây màu trắng và đen: là dây lên -...
 
 
				Thông số kỹ thuật : 1) Tần số hoạt động: 890-960MHz 2) Tăng công suất:> 30dB 3)...
 
 
				Hướng dẫn sử dụng: Download
 
 
				Hướng dẫn sử dụng: Download
 
 
				 
 
				 
 
				 
 
				