Mô tả sản phẩm - Bộ kit điều khiển cửa cuốn tần số 433Mhz mã cố định. - Kết nối trực tiếp...
- Bộ kit điều khiển rèm cửa kết nối trực tiếp với motor ống để điều khiển rèm cửa. - Có...
Mô tả sản phẩm CHÚ Ý: Bộ điều khiển cửa cuốn và điện thoại phải kết nối chung một mạng Wifi...
Giới thiệu sản phẩm Arduino Uno R3 là dòng cơ bản, linh hoạt, thường được sử dụng cho người mới bắt...
Mô tả Module là phiên bản thứ 3 trong dòng các board NodeMCU ESP8266 tích hợp chip ESP8266. Thông số kỹ thuật Hỗ...
Giới thiệu sản phẩm Arduino Pro Micro dùng vi xử lý ATmega32u4, phiên bản Arduino Micro được sản xuất...
Mô tả sản phẩm - Module Arduino NodeMcu Lua ESP8266 ESP-12 như một bo mạch phần cứng nguồn mở, bao gồm một...
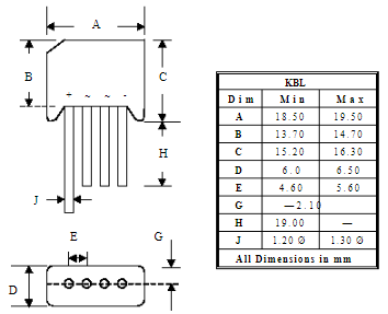
Diode cầu 4A 1000V KBL410 là diode chỉnh lưu có cấu tạo gồm 4 diode được đóng gói trong một gói duy nhất, gồm 4 chân, được thiết kế với vỏ nhôm, tản nhiệt tốt. Dùng để chuyển đổi điện áp AC - DC
- Điện áp tối đa: 1000V
- Dòng điện định mức: 4A
- Nhiệt độ hoạt động: -65 ~ 125 độ C

Datasheet: Diode cầu KBL410 4A 1000V
Mô tả Diode cầu KBPC2510 là diode chỉnh lưu cầu dòng điện cao, dòng thuận cực đại lên tới...
- Kiểu chân: DIP - Điện áp max: 1000 V - Dòng diện: 6A - Điện áp rơi: 1,1V -...
Mô tả sản phẩm Diode cầu 3A 700V KBP307 là diode chỉnh lưu có cấu tạo gồm 4 diode được...
Mô tả sản phẩm Diode cầu DB107S 1A 1000V SOP4 là diode chỉnh lưu có cấu tạo gồm 4 diode...
Mô tả sản phẩm - Module thu phát RF E32-DTU-1W RS485 RS232 433MHz LoRa SX1278 là module thu phát sóng RF sử dụng...
Cách nối dây: - Dây màu xanh và đỏ: là dây stop - Dây màu trắng và đen: là dây lên -...
Thông số kỹ thuật : 1) Tần số hoạt động: 890-960MHz 2) Tăng công suất:> 30dB 3)...
Hướng dẫn sử dụng: Download
Hướng dẫn sử dụng: Download