Mô tả sản phẩm - Bộ kit điều khiển cửa cuốn tần số 433Mhz mã cố định. - Kết nối trực tiếp...
- Bộ kit điều khiển rèm cửa kết nối trực tiếp với motor ống để điều khiển rèm cửa. - Có...
Mô tả sản phẩm CHÚ Ý: Bộ điều khiển cửa cuốn và điện thoại phải kết nối chung một mạng Wifi...
Giới thiệu sản phẩm Arduino Uno R3 là dòng cơ bản, linh hoạt, thường được sử dụng cho người mới bắt...
Mô tả Module là phiên bản thứ 3 trong dòng các board NodeMCU ESP8266 tích hợp chip ESP8266. Thông số kỹ thuật Hỗ...
Giới thiệu sản phẩm Arduino Pro Micro dùng vi xử lý ATmega32u4, phiên bản Arduino Micro được sản xuất...
Mô tả sản phẩm - Module Arduino NodeMcu Lua ESP8266 ESP-12 như một bo mạch phần cứng nguồn mở, bao gồm một...
Thông số kỹ thuật
- Điện áp làm việc: 4 ~ 15V
- Tiêu thụ điện năng thấp.
- Miễn nhiễm ồn cao.
- Sử dụng dao động ngoài.
- Có thể mã hóa 531441 mã
IC PT2262 là sản phẩm của Princeton Technology được phát triển và ra đời sau dòng mã hóa 12E/D của hãng Holtek. IC PT2262 rất nhiều hữu ích trong công việc mã hóa, giải mã hay điều khiển.

Sơ đồ chân PT2262
IC PT2262 với 8 địa chỉ mã hóa và 4 địa chỉ dữ liệu. IC PT2262 có "3 mũ 12" mã hóa tức là có thể mã hóa 531441 mã mới có thể trùng lặp lại. Cách mã hóa PT2262 có thể làm được bằng cách nối ngắn mạch các chân "mã hóa địa chỉ" lên dương nguồn (mã hóa +) và xuống âm nguồn (mã hóa -) hoặc có thể bỏ trống (mã hóa 0).
IC PT2262 dùng dao động ngoài: đơn giản là chỉ cần lắp thêm 1 điện trở dao động vào chân 15 và chân 16 của PT2262. Tần số Sóng mang dao động được quyết định bởi R chân 15 và 16 và được tính bằng : f = R/12.

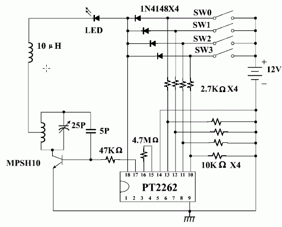
Sơ đồ kết nối PT2262
Thông số kỹ thuật : Điện áp làm việc: 4 ~ 15V Tiêu thụ điện năng thấp Miễn nhiễm ồn cao Sử dụng dao...
Mô tả sản phẩm - Module thu phát RF E32-DTU-1W RS485 RS232 433MHz LoRa SX1278 là module thu phát sóng RF sử dụng...
Cách nối dây: - Dây màu xanh và đỏ: là dây stop - Dây màu trắng và đen: là dây lên -...
Thông số kỹ thuật : 1) Tần số hoạt động: 890-960MHz 2) Tăng công suất:> 30dB 3)...
Hướng dẫn sử dụng: Download
Hướng dẫn sử dụng: Download