Hướng dẫn sử dụng mạch quản lý pin lithium
MỘT SỐ LƯU Ý QUAN TRỌNG KHI SỬ DỤNG MẠCH SẠC - BẢO VỆ PIN LITHIUM ĐA NĂNG
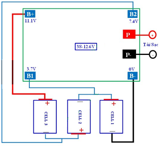
- Hàn dây vào mạch trước khi, sau đó hàn các dây vào pack pin, tránh hàn dây từ pack pin vào mạch, dễ bị chạm và hỏng mạch.
- Hàn theo thứ tự: B- (0V), B1 (3.7V),... B+
- Tháo ra thì ngược lại: Tháo từ B+ (P+), cuối cùng là B- (P-)
- Lưu ý: Trong quá trình hàn dây nếu hàn xót (hoặc nhảy) dây nào đó thì phải tháo hết các dây ra và hàn lại theo thứ tự như trên, tránh trường hợp xót dây nào hàn dây đó.
- Một số mạch pin, sau khi hàn dây xong, mạch chưa xuất điện áp tại ngõ ra. Khi đó cần cấp nguồn - sạc cho mạch, để mạch xuất điện áp bình thường.
- Thông số của cell pin như điện thế, nội trở và dung lượng giữa các cell phải đồng đều nhau.
- Đặc biệt: Trước khi hàn ghép cell thành pack pin và lắp mạch bảo vệ, chỉ sạc các cell pin đạt khoảng 3.9V. Không được sạc đầy >= 4.2V và cũng không nên sử dụng cell < 3.2V.
MỘT SỐ LƯU Ý KHI SỬ DỤNG MẠCH SẠC LITHIUM (DC ADAPTER)
- Chọn sạc có thông số phù hợp với pack pin cần sạc. Pack pin nên có mạch sạc và bảo vệ để bảo vệ cell pin, chống quá áp. Vì sạc này không có chức năng "tự ngắt" (chỉ báo đèn khi đầy pin).
- Tránh dùng lẫn lộn giữa sach Lithium với pin Ni-Mh hoặc ngược lại. Vì các thông số trên 2 loại sạc này rất khác nhau.
- Lưu ý quan trọng:
+ Sạc pin Lithium ghi 12.6V, nghĩa là ngõ ra 12.6V dùng để sạc pin 3S 10.8V / 11.1V.
+ Sạc pin Ni-Mh ghi 12V, khi đó ngõ ra ghi 15V và dùng để sạc pin Ni-Mh 12V.
+ Nếu chọn sạc có điện thế ngõ ra cao hơn điện thế cho phép của mạch, khi đó mạch hỏng và mất chức năng bảo vệ, dẫn đến chết cell khi sạc.
Bảng đối chiếu dòng sạc và pack pin (tham khảo):
| Pack pin | 1P | 2P | 3P | 4P |
| Dòng sạc | 0.8A - 1A | 1.5A - 2.5A | 2.5A - 3.5A | 3.5A - 4.5A |
Bảng hướng dẫn sử dụng sạc (tham khảo):
| Pack pin |
1S 3.6V |
2S 7.2V | 3S 10.8V | 4S 14.4V | 5S 18V | 6S 21.6V | 7S 25.2V | 8S 28.8V | 10S 36V |
| Điện áp sạc | 4.2V | 8.4V | 12.6V | 16.8V | 21V | 25.2V | 29.4V | 33.6V | 42V |
Sơ đồ kết nối:


// thay = width tương ứng
// thay = height tương ứng