Hướng dẫn test hoạt động module E01-ML01DP5
Hướng dẫn test hoạt động module E01-ML01DP5

1. Giới thiệu về module thu phát RF E01-ML01DP5 2.4GHz
1.1. Mô tả sản phẩm
E01-ML01DP5 là mô đun thu phát RF ở tần số 2.4GHz, tốc độ cao (tốc độ tối đa lên tới 2Mbps). Module sử dụng một lá chắn kim loại, hiệu năng chống nhiễu mạnh mẽ. Module này có những ưu điểm quang phổ rất tốt, nhiễu xuyên âm nhỏ, kích thước nhỏ, là mô hình chuẩn công nghiệp.
1.2. Thông số kỹ thuật
- Điện áp hoạt động: 2.0 - 3.6 V
- Khoảng cách truyền: 2100m
- Công suất truyền tối đa: 20dBm (100mW)
- Tốc độ truyền dữ liệu: có thể cấu hình được 250k, 1M, 2Mbps
- Dòng ở chế độ nghỉ: 1uA
- Dòng truyền: 130mA @ 20dBm
- Dòng nhận: 20mA
- Giao thức giao tiếp: SPI
- Nhiệt độ hoạt động: -40 ~ 85 độ C
- Đọ ẩm: 10% - 90%
- Nhiệt độ bảo quản: -40 ~ 125 độ C
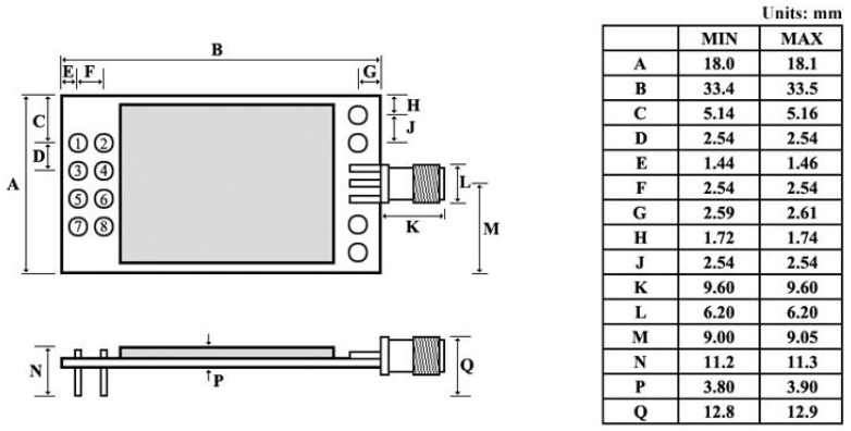
- Kich thước: 18x33.4 mm

2. Thực hiện kiểm tra hoạt động
Để kiểm tra hoạt động của E01-ML01DP5 cần có những thiết bị sau:
- 2 USB Wireless Serial Port.

- 2 module E01-ML01DP5.

Bước 1: Kết nối USB Wireless Serial Port với module E01-ML01DP5 như sau:

Bước 2: Cắm USB Wireless Serial Port vào cổng USB của máy tính. Có thể cắm 2 module chung trên một máy tính hoặc cắm trên hai máy tính khác nhau đều được.

Bước 3: Mở phần mềm Hercules 3.2.5 có thể tải tại đây. Chọn tab Serial.

Bước 4: Để biết cổng COM kết nối USB Wireless Serial Port là cổng nào để lựa chọn trên giao diện phần mềm Hercules, bạn bấm chuột phải vào My Computer > Manage > Device Manager > Ports (COM & LPT).

Ở đây mình cắm 2 module trên cùng một máy tính nên sẽ hiện 2 cổng COM sử dụng là COM8 và COM9.
Bước 5: Chọn các thông số trong mục Serial như trong hình rồi bấm “Open”. Trong mục Send nhập nội dung cần gửi rồi bấm “Send” và xem kết quả.

Chúc các bạn thành công!
// thay = width tương ứng
// thay = height tương ứng