Mô tả sản phẩm - Bộ kit điều khiển cửa cuốn tần số 433Mhz mã cố định. - Kết nối trực tiếp...
- Bộ kit điều khiển rèm cửa kết nối trực tiếp với motor ống để điều khiển rèm cửa. - Có...
Mô tả sản phẩm CHÚ Ý: Bộ điều khiển cửa cuốn và điện thoại phải kết nối chung một mạng Wifi...
Giới thiệu sản phẩm Arduino Uno R3 là dòng cơ bản, linh hoạt, thường được sử dụng cho người mới bắt...
Mô tả Module là phiên bản thứ 3 trong dòng các board NodeMCU ESP8266 tích hợp chip ESP8266. Thông số kỹ thuật Hỗ...
Giới thiệu sản phẩm Arduino Pro Micro dùng vi xử lý ATmega32u4, phiên bản Arduino Micro được sản xuất...
Mô tả sản phẩm - Module Arduino NodeMcu Lua ESP8266 ESP-12 như một bo mạch phần cứng nguồn mở, bao gồm một...
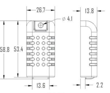
DHT21 là module tích hợp cảm biến độ ẩm điện dung và cảm biến nhiệt độ có độ chính xác cao, đầu ra tín hiệu số có thể kết nối với một Vi điều khiển 8-bit, Sản phẩm chất lượng cao, đáp ứng nhanh, khả năng chống nhiễu mạnh, giao tiếp duy nhất 1 dây. Kích thước nhỏ, tiêu thụ điện năng thấp, khoảng cách truyền dẫn tín hiệu lên đến 20m. Điện năng tiêu thụ cực thấp, khoảng cách truyền dẫn, hiệu chuẩn hoàn toàn tự động, sử dụng các cảm biến độ ẩm điện dung, hoàn toàn hoán đổi cho nhau, tiêu chuẩn kỹ thuật số đầu ra duy nhất - một bust, ổn định lâu dài, thiết bị đo nhiệt độ chính xác cao.
- Kích thước sản phẩm : 13.8x26.7x58.8mm.
- Điện áp hoạt động: 3.3-5V.
- Dải đo độ ẩm: 0-99.9%.
- Dải đo nhiệt độ: -40-80 độ C.
- Sai số độ ẩm: +-3%.
- Sai số nhiệt độ: +-0.3 độ C.
- Chuẩn giao tiếp: 1 dây (1 wire).
- Dây đen: GND.
- Dây đỏ: VCC: 3.3-5V.
- Dây vàng: dây truyền dữ liệu (DATA).
Datasheet: DHT21 AM2301

Hàn trực tiếp các loại cảm biến dòng DHT lên board mạch để việc giao tiếp với các vi điều...
Mô tả sản phẩm Công tắc điều khiển nhiệt độ đầu ra là tiếp điểm. Thông số kỹ thuật Dải...
Thông số kỹ thuật: - Mã sản phẩm: WJA 30~110° C - Chiều dài que đầu dò: 52mm - Chất liệu: Vỏ bằng...
Thông số kỹ thuật: - Mã sản phẩm: WJA 30~110° C - Chiều dài que đầu dò: 52mm - Chất liệu: Vỏ bằng...
Thông số kỹ thuật: - Mã sản phẩm: WJA 50~300° C - Chiều dài que đầu dò: 52mm - Chất liệu: Vỏ bằng...
Thông số kỹ thuật: - Mã sản phẩm: WJA 50~300° C - Chiều dài que đầu dò: 52mm - Chất liệu: Vỏ bằng...
Thông số kỹ thuật: Dải nhiệt độ: 30 ~ 110 độ C, Dòng tải: 16A Điện áp: 250V Dây đo dài: 0.7m Đầu dò :...
Mô tả sản phẩm Bộ điều khiển 2 relay theo nhiệt độ độ ẩm, dễ dàng cài đặt...
Bộ hiển thị nhiệt độ cầm tay TM902C là thiết bị đo nhiệt độ trực tiếp được thiết kế với màn hình...
Bộ hiển thị nhiệt độ cầm tay TM902C là thiết bị đo nhiệt độ trực tiếp được thiết kế với màn hình...
Mô tả sản phẩm - Module thu phát RF E32-DTU-1W RS485 RS232 433MHz LoRa SX1278 là module thu phát sóng RF sử dụng...
Cách nối dây: - Dây màu xanh và đỏ: là dây stop - Dây màu trắng và đen: là dây lên -...
Thông số kỹ thuật : 1) Tần số hoạt động: 890-960MHz 2) Tăng công suất:> 30dB 3)...
Hướng dẫn sử dụng: Download
Hướng dẫn sử dụng: Download