Mô tả sản phẩm - Bộ kit điều khiển cửa cuốn tần số 433Mhz mã cố định. - Kết nối trực tiếp...
- Bộ kit điều khiển rèm cửa kết nối trực tiếp với motor ống để điều khiển rèm cửa. - Có...
Mô tả sản phẩm CHÚ Ý: Bộ điều khiển cửa cuốn và điện thoại phải kết nối chung một mạng Wifi...
Giới thiệu sản phẩm Arduino Uno R3 là dòng cơ bản, linh hoạt, thường được sử dụng cho người mới bắt...
Mô tả Module là phiên bản thứ 3 trong dòng các board NodeMCU ESP8266 tích hợp chip ESP8266. Thông số kỹ thuật Hỗ...
Giới thiệu sản phẩm Arduino Pro Micro dùng vi xử lý ATmega32u4, phiên bản Arduino Micro được sản xuất...
Mô tả sản phẩm - Module Arduino NodeMcu Lua ESP8266 ESP-12 như một bo mạch phần cứng nguồn mở, bao gồm một...

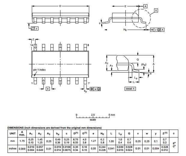
Datasheet: IC 74HC04D SOP14
Thông số kỹ thuật Điện áp cung cấp: 2.0V ~ 6.0V Điện áp đầu vào: 0V ~ 6.0V Điện áp ngõ ra: 0V...
Thông số kỹ thuật - Hàm logic: AND - Họ logic: 74HC - Điện áp: 2.0 ~ 6.0V - Nhiệt độ: -55 ~ 125...
Tổng quan Là IC logic 4 cổng AND độc lập 2 đầu vào sử dụng trong các ứng dụng so sánh...
Thông số kỹ thuật - Hàm logic: AND - Họ logic: 74HC - Điện áp: 2.0 ~ 6.0V - Nhiệt độ: -55 ~ 125...
Thông số kỹ thuật - Hàm logic: NAND - Họ logic: 74HC - Điện áp: 2.0 ~ 6.0V - Nhiệt độ: -55 ~ 125...
Thông số kỹ thuật - Điện áp hoạt động: 2 - 6 V - Số chấn đầu vào: 3 -...
Thông số kỹ thuật - Điện áp hoạt động: 2 - 6 V - Số chấn đầu vào: 3 -...
Thông số kỹ thuật - Họ logic: HC - Điện áp: 2.0 ~ 6.0V - Nhiệt độ: -55 ~ 125 độ C - Đóng...
Mô tả sản phẩm - Module thu phát RF E32-DTU-1W RS485 RS232 433MHz LoRa SX1278 là module thu phát sóng RF sử dụng...
Cách nối dây: - Dây màu xanh và đỏ: là dây stop - Dây màu trắng và đen: là dây lên -...
Thông số kỹ thuật : 1) Tần số hoạt động: 890-960MHz 2) Tăng công suất:> 30dB 3)...
Hướng dẫn sử dụng: Download
Hướng dẫn sử dụng: Download