Mô tả sản phẩm - Bộ kit điều khiển cửa cuốn tần số 433Mhz mã cố định. - Kết nối trực tiếp...
- Bộ kit điều khiển rèm cửa kết nối trực tiếp với motor ống để điều khiển rèm cửa. - Có...
Mô tả sản phẩm CHÚ Ý: Bộ điều khiển cửa cuốn và điện thoại phải kết nối chung một mạng Wifi...
Giới thiệu sản phẩm Arduino Uno R3 là dòng cơ bản, linh hoạt, thường được sử dụng cho người mới bắt...
Mô tả Module là phiên bản thứ 3 trong dòng các board NodeMCU ESP8266 tích hợp chip ESP8266. Thông số kỹ thuật Hỗ...
Giới thiệu sản phẩm Arduino Pro Micro dùng vi xử lý ATmega32u4, phiên bản Arduino Micro được sản xuất...
Mô tả sản phẩm - Module Arduino NodeMcu Lua ESP8266 ESP-12 như một bo mạch phần cứng nguồn mở, bao gồm một...
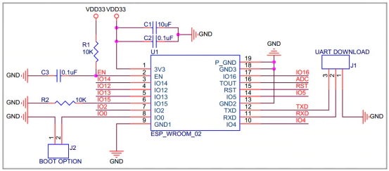
Mô-đun ESP-WROOM-02 là mô-đun sử dụng chip RF ESP8266EX. ESP8266EX có bộ xử lý RISC 32 bit công suất cực thấp Tensilica L106 với tốc độ xung nhịp CPU lên tới 160 MHz, hệ điều hành thời gian thực (RTOS) và tích hợp Wi-Fi MAC / BB / RF / PA / LNA, và hỗ trợ chuẩn IEEE802. Giao thức 11 b / g / n, ngăn xếp giao thức TCP / IP hoàn chỉnh. Người dùng có thể sử dụng mô-đun này để tăng thêm khả năng kết nối mạng cho các thiết bị hiện có hoặc để xây dựng các bộ điều khiển mạng riêng biệt. Lên đến 80% sức mạnh xử lý có thể được dành cho lập trình và phát triển ứng dụng. Nó có thể được sử dụng độc lập hoặc làm slave cho các MCU máy chủ khác.
Nhiệt độ làm việc: -40 ° C ~ 85 ° C
Điện áp cung cấp: 2.7V ~ 3.6V (khuyến nghị 3.3V)
ESP-WROOM-02 sử dụng thạch anh 26MHz.
ESP-WROOM-02 được cấu hình với 4MB SPI Flash. Các chế độ SPI được hỗ trợ bao gồm: SPI tiêu chuẩn, DIO (I / O kép), DOUT (Đầu ra kép), QIO (Quad I / O) và QOUT (Đầu ra Quad).


Đế Nạp Wifi ESP-WROOM-32 được sử dụng để nạp chương trình, giao tiếp máy tính qua cổng USB, giao tiếp...
Các tính năng chính: Được trang bị camera OV3660 2MP. Hỗ trợ WiFi, Bluetooth truyền thống và BLE Beacon. Được thiết kế với...
Mô tả sản phẩm Mô-đun WiFi ESP32-S được thiết kế và phát triển bởi Encore. Bộ xử lý lõi...
Mô tả sản phẩm Module Zigbee E800-DTU (Z2530-485-20) là module không dây dựa trên ZigBee với...
Giao diện: RS232/RS485 Power: 20dBm Khoảng cách: 300 m Tần số: 2.4 ~ 2.4835 ghz (Mặc Định: 2.4 ghz) Kích thước : 82x62x25mm Tính năng: Bộ...
Mô tả sản phẩm Module này dựa trên module WIFI AI-Thinker ESP-01/ESP-01S. Nó được thiết kế cho các...
Thông số kỹ thuật Điện áp: 85 ~ 250VAC Công suất lên tới 2200W Điện áp: AC100-250V, 50/60Hz Điều khiển bằng ứng eWeLink dụng...
Mô tả sản phẩm - Module thu phát RF E32-DTU-1W RS485 RS232 433MHz LoRa SX1278 là module thu phát sóng RF sử dụng...
Cách nối dây: - Dây màu xanh và đỏ: là dây stop - Dây màu trắng và đen: là dây lên -...
Thông số kỹ thuật : 1) Tần số hoạt động: 890-960MHz 2) Tăng công suất:> 30dB 3)...
Hướng dẫn sử dụng: Download
Hướng dẫn sử dụng: Download