Mô tả sản phẩm - Bộ kit điều khiển cửa cuốn tần số 433Mhz mã cố định. - Kết nối trực tiếp...
- Bộ kit điều khiển rèm cửa kết nối trực tiếp với motor ống để điều khiển rèm cửa. - Có...
Mô tả sản phẩm CHÚ Ý: Bộ điều khiển cửa cuốn và điện thoại phải kết nối chung một mạng Wifi...
Giới thiệu sản phẩm Arduino Uno R3 là dòng cơ bản, linh hoạt, thường được sử dụng cho người mới bắt...
Mô tả Module là phiên bản thứ 3 trong dòng các board NodeMCU ESP8266 tích hợp chip ESP8266. Thông số kỹ thuật Hỗ...
Giới thiệu sản phẩm Arduino Pro Micro dùng vi xử lý ATmega32u4, phiên bản Arduino Micro được sản xuất...
Mô tả sản phẩm - Module Arduino NodeMcu Lua ESP8266 ESP-12 như một bo mạch phần cứng nguồn mở, bao gồm một...
- Điện áp hoạt động: 1.9 - 3.6 V
- Dải tần số hoạt động: 2.4GHz ~ 2.525GHz (với mỗi bước tần số là 1Mhz)
- Khoảng cách truyền: 110m
- Công suất truyền tối đa: 1mW
- Tốc độ truyền dữ liệu: có thể cấu hình được 250k, 1M, 2Mbps
- Dòng ở chế độ nghỉ: 1uA
- Dòng truyền: 13mA @ 20dBm
- Dòng nhận: 11.5mA
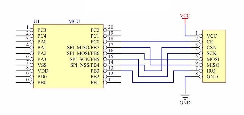
- Giao thức giao tiếp: SPI
- Nhiệt độ hoạt động: -40 ~ 85 độ C
- Đọ ẩm: 10% - 90%
- Nhiệt độ bảo quản: -40 ~ 125 độ C
- Kich thước: 12x19 mm



Mô tả sản phẩm Mạch thu phát RF NRF24L01+ PA LNA 2.4Ghz anten rời (có khếch đại công suất thu phát)...
Mô tả sản phẩm - Module thu phát AS01-ML01S nRF24L01P SPI là module có chức năng thu phát sóng RF Thông số kỹ thuật -...
Mô tả sản phẩm - Mạch thu phát nRF24L01 UPGRADE 2.4Ghz là mạch thu phát sóng RF ở tần số 2.4GHz với...
Mô tả sản phẩm - AS01-ML01DP5 là mô đun thu phát RF ở tần số 2.4GHz, tốc độ cao (tốc độ tối...
Mô tả sản phẩm Module sử dụng chip truyền sóng NRF24L01+ mới nhất từ hãng Nordic với nhiều cải tiến...
Mô tả sản phẩm - Module thu phát RF E32-DTU-1W RS485 RS232 433MHz LoRa SX1278 là module thu phát sóng RF sử dụng...
Cách nối dây: - Dây màu xanh và đỏ: là dây stop - Dây màu trắng và đen: là dây lên -...
Thông số kỹ thuật : 1) Tần số hoạt động: 890-960MHz 2) Tăng công suất:> 30dB 3)...
Hướng dẫn sử dụng: Download
Hướng dẫn sử dụng: Download