 
 
				Mô tả sản phẩm - Bộ kit điều khiển cửa cuốn tần số 433Mhz mã cố định. - Kết nối trực tiếp...
 
 
				- Bộ kit điều khiển rèm cửa kết nối trực tiếp với motor ống để điều khiển rèm cửa. - Có...
 
 
				Mô tả sản phẩm CHÚ Ý: Bộ điều khiển cửa cuốn và điện thoại phải kết nối chung một mạng Wifi...
 
 
				Giới thiệu sản phẩm Arduino Uno R3 là dòng cơ bản, linh hoạt, thường được sử dụng cho người mới bắt...
 
 
				Mô tả Module là phiên bản thứ 3 trong dòng các board NodeMCU ESP8266 tích hợp chip ESP8266. Thông số kỹ thuật Hỗ...
 
 
				Giới thiệu sản phẩm Arduino Pro Micro dùng vi xử lý ATmega32u4, phiên bản Arduino Micro được sản xuất...
 
 
				Mô tả sản phẩm - Module Arduino NodeMcu Lua ESP8266 ESP-12 như một bo mạch phần cứng nguồn mở, bao gồm một...
ICC10004
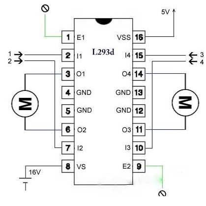
L293D DIP16 là IC cầu H điều khiển động cơ. Gồm 4 kênh điều khiển có thể điều khiển 2 động cơ DC hoặc 1 động cơ bước 4 pha
Còn hàng
L293D là IC cầu H điều khiển động cơ. Gồm 4 kênh điều khiển có thể điều khiển 2 động cơ DC hoặc 1 động cơ bước 4 pha (5 dây). Để điều khiển động cơ DC, bạn sẽ sử dụng 2 kênh của L293D cho 1 động cơ.
Sơ đồ khối

Ứng dụng đơn giản L298D

| Pin | Chức năng | Tên | 
| 1 | Kích hoạt pin cho Motor 1; Hoạt động cao | Kích hoạt 1,2 | 
| 2 | Đầu vào 1 cho Motor 1 | Đầu vào 1 | 
| 3 | Đầu ra 1 cho Motor 1 | Đầu ra 1 | 
| 4 | Nối đất (0V) | Đất | 
| 5 | Nối đất (0V) | Đất | 
| 6 | Đầu ra 2 cho Motor 1 | Đầu ra 2 | 
| 7 | Đầu vào 2 cho Motor 1 | Đầu vào 2 | 
| 8 | Điện áp cung cấp cho động cơ; 9-12V (lên đến 36V) | VCC 2 | 
| 9 | Kích hoạt pin cho Motor 2; Hoạt động cao | Kích hoạt 3,4 | 
| 10 | Đầu vào 1 cho Motor 1 | Đầu vào 3 | 
| 11 | Đầu ra 1 cho Motor 1 | Kết quả 3 | 
| 12 | Nối đất (0V) | Đất | 
| 13 | Nối đất (0V) | Đất | 
| 14 | Đầu ra 2 cho Motor 1 | Đầu ra 4 | 
| 15 | Input2 cho Motor 1 | Đầu vào 4 | 
| 16 | Điện áp cung cấp; 5V (lên đến 36V) | Vcc 1 | 
Mô tả IC L298 là mạch tích hợp đơn chip có kiểu vỏ công suất 15 chân (multiwatt15) và...
Thông số kỹ thuật - Điện áp hoạt động: 3 - 20 V - Dòng hoạt động: 6.1mA - Nhiệt...
Thông số kỹ thuật - Điện áp làm việc: 3 - 25 V - Dòng đầu ra: 1 - 30...
Mô tả sản phẩm IC MAX7219 được hãng MAXIM thiết kế và sản xuất, thuận tiện sử dụng để...
Mô tả sản phẩm IC MAX7219 được hãng MAXIM thiết kế và sản xuất, thuận tiện sử dụng để...
Mô tả TM1640 là IC tích hợp sử dụng điều khiển led, hỗ trợ giao tiếp nối tiếp đơn...
Mô tả ULN2803 SOP18 là một vi mạch đệm, bản chất cấu tạo là các mảng darlington chịu được...
 
 
				Mô tả sản phẩm - Module thu phát RF E32-DTU-1W RS485 RS232 433MHz LoRa SX1278 là module thu phát sóng RF sử dụng...
 
 
				Cách nối dây: - Dây màu xanh và đỏ: là dây stop - Dây màu trắng và đen: là dây lên -...
 
 
				Thông số kỹ thuật : 1) Tần số hoạt động: 890-960MHz 2) Tăng công suất:> 30dB 3)...
 
 
				Hướng dẫn sử dụng: Download
 
 
				Hướng dẫn sử dụng: Download
 
 
				 
 
				 
 
				 
 
				